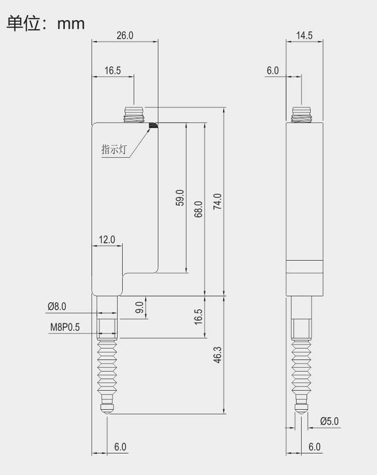
ECOTTER亞微米級接觸式位移傳感器TSD-1205-RS485即將上市,這款接觸位移傳感器的精度達到0.0005毫米,量程是12毫米,絕對型刻度尺脈沖系統,帶RS485 MODBUS RTU,可以上傳數據,擁有較快的數據刷新速度2000次/秒,適用于工業自動化的絕大多數測量場景。

這款接觸位移采用24V DC供電,測量力只需要1.1~1.2N,輕觸可用,常用于測厚、測標簽疊料、測平整等。


ECOTTER亞微米級接觸式位移傳感器TSD-1205-RS485即將上市,這款接觸位移傳感器的精度達到0.0005毫米,量程是12毫米,絕對型刻度尺脈沖系統,帶RS485 MODBUS RTU,可以上傳數據,擁有較快的數據刷新速度2000次/秒,適用于工業自動化的絕大多數測量場景。

這款接觸位移采用24V DC供電,測量力只需要1.1~1.2N,輕觸可用,常用于測厚、測標簽疊料、測平整等。

