今天給大家介紹ECOTTER的壓力傳感器——TG-30系列。

這個系列的壓力表可分為混合壓TG-30AF、正壓表TG-30CF、負壓表TG-30BF三個類型。
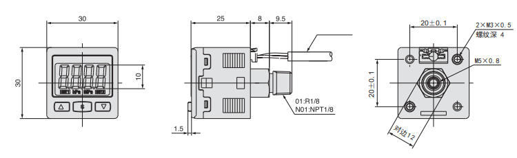
壓力傳感器的外形小巧,正面為LCD顯示和三個操作按鍵;背面為電源接入口和氣壓接入口。
顯示界面

規格參數

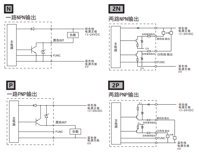
接線電路圖

產品尺寸圖

今天給大家介紹ECOTTER的壓力傳感器——TG-30系列。

這個系列的壓力表可分為混合壓TG-30AF、正壓表TG-30CF、負壓表TG-30BF三個類型。
壓力傳感器的外形小巧,正面為LCD顯示和三個操作按鍵;背面為電源接入口和氣壓接入口。
顯示界面

規格參數

接線電路圖

產品尺寸圖
